钱柜777
网站首页
产品中心
关于钱柜777
新闻中心
联系钱柜777
Hi,接待来到深圳钱柜777电子有限公司!
关注微信
网站地图
一站式供应链效劳平台
深圳钱柜777电子有限公司
首页
产品中心
关于钱柜777
新闻中心
联系钱柜777
产品详情[EC10E1220501]
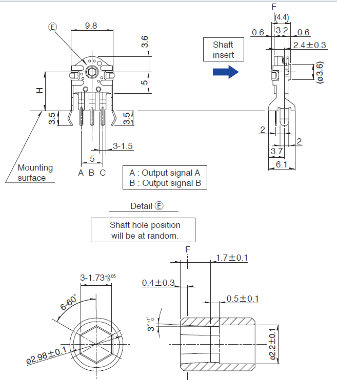
EC10E1220501-EC10E1220501编码器
9.8x4.4x10.6/12.6/14.6 10型领悟轴型 以独吞的领悟轴形状实现了小型化的长寿命型。
产品规格书
产品介绍
定位扭矩: 5±3mN·m
装置高度: 9mm
操作寿命: 100000 cycles
定位数: 24
联系钱柜777
COMPANY INFORMATION
关·注·我·们
效劳热线:0755-23318646 / 0755-23318245
钱柜777
传真:0755-23318246
网址:www.fuxinhe.com.cn
地点:深圳市龙华区油松路兴龙富创客园大厦7层
友情链接
FRIENDSHIP LINK
阿尔卑斯(Alps)
罗姆(ROHM)
村田(Murata)
圧着端子(JST)
广濑(HIROSE)
恩智浦(NXP)
三星(Samsung)
泰科(TE)
公司提供:阿尔卑斯阿尔派(Alps Alpine)、压着端子(jst)、罗姆(rohm)、村田(murata)、广濑(hirose)、恩智浦(nxp)、三星(samsung),泰科(te)等品牌开关和种种电子元器件
地点:深圳市龙华区油松路兴龙富创客园大厦7层 电话:0755-23318646/233
钱柜777 版权所有
粤ICP备16126432号-1
客服
在线客服
电话
网站地图