Ç®¹ñ777

Hi,½Ó´ýÀ´µ½ÉîÛÚÇ®¹ñ777µç×ÓÓÐÏÞ¹«Ë¾£¡
ÉîÛÚÇ®¹ñ777µç×ÓÓÐÏÞ¹«Ë¾
һվʽ¹©Ó¦Á´Ð§ÀÍÆ½Ì¨
ÉîÛÚÇ®¹ñ777µç×ÓÓÐÏÞ¹«Ë¾
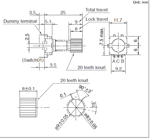
²úÆ·ÏêÇé[EC11E152T409]
EC11E152T409-EC11E152T409±àÂëÆ÷
11.7x12x4.5/8/8.5 11ÐͽðÊôÖáÐͱ¸ÓÐСÐÍ¡¤¸ß¿É¿¿ÐÔ£¬ÖÖÖÖ¸÷ÑùµÄÖÖÀà¡£
²úÆ·½éÉÜ

²Ù×÷²¿ÐÎ×´: ¾â³ÝÖá

²Ù×÷²¿³¤¶È: 25mm

²Ù×÷ÊÙÃü: 15000 cycles

°´¿ª¿ª¹ØÐгÌ: ÎÞ

ÁªÏµÇ®¹ñ777
COMPANY INFORMATION
¹Ø¡¤×¢¡¤ÎÒ¡¤ÃÇ
ЧÀÍÈÈÏߣº0755-23318646 / 0755-23318245
Ç®¹ñ777
´«Õ棺0755-23318246
꿅᣼www.fuxinhe.com.cn
µØµã£ºÉîÛÚÊÐÁú»ªÇøÓÍËÉ·ÐËÁú¸»´´¿ÍÔ°´óÏÃ7²ã
ÓÑÇéÁ´½Ó
FRIENDSHIP LINK
°¢¶û±°Ë¹(Alps)
ÂÞÄ·(ROHM)
´åÌï(Murata)
ˆR×ŶË×Ó(JST)
¹ãäþ(HIROSE)
¶÷ÖÇÆÖ(NXP)
ÈýÐÇ(Samsung)
Ì©¿Æ(TE)
¹«Ë¾Ìṩ£º°¢¶û±°Ë¹°¢¶ûÅÉ(Alps Alpine)¡¢Ñ¹×ŶË×Ó(jst)¡¢ÂÞÄ·(rohm)¡¢´åÌï(murata)¡¢¹ãäþ(hirose)¡¢¶÷ÖÇÆÖ(nxp)¡¢ÈýÐÇ(samsung)£¬Ì©¿Æ(te)µÈÆ·ÅÆ¿ª¹ØºÍÖÖÖÖµç×ÓÔªÆ÷¼þ
µØµã£ºÉîÛÚÊÐÁú»ªÇøÓÍËÉ·ÐËÁú¸»´´¿ÍÔ°´óÏÃ7²ã    µç»°£º0755-23318646/233
Ç®¹ñ777  °æÈ¨ËùÓÐ ÔÁICP±¸16126432ºÅ-1
¿Í·þ
µã»÷ÕâÀï¸øÎÒ·¢ÏûÏ¢ ÔÚÏ߿ͷþ
ÍøÕ¾µØÍ¼