Ç®¹ñ777
ÍøÕ¾Ê×Ò³
²úÆ·ÖÐÐÄ
¹ØÓÚÇ®¹ñ777
ÐÂÎÅÖÐÐÄ
ÁªÏµÇ®¹ñ777
Hi,½Ó´ýÀ´µ½ÉîÛÚÇ®¹ñ777µç×ÓÓÐÏÞ¹«Ë¾£¡
¹Ø×¢Î¢ÐÅ
ÍøÕ¾µØÍ¼
һվʽ¹©Ó¦Á´Ð§ÀÍÆ½Ì¨
ÉîÛÚÇ®¹ñ777µç×ÓÓÐÏÞ¹«Ë¾
Ê×Ò³
²úÆ·ÖÐÐÄ
¹ØÓÚÇ®¹ñ777
ÐÂÎÅÖÐÐÄ
ÁªÏµÇ®¹ñ777
²úÆ·ÏêÇé[SKTRAEE010]
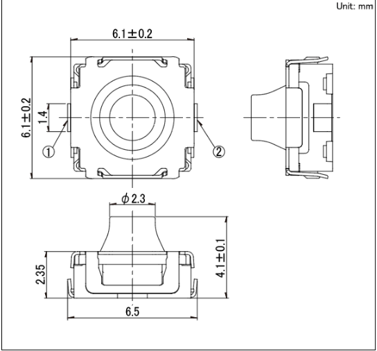
SKTRAEE010-SKTRAEE010Çá´¥¿ª¹Ø
6.1x6.1x4.1mm 6.1mm·½ÐÍСÐÍÖеÈÐг̵ÄÐÍ£¨ÍâòÌù×°£©ÊµÏÖÁ˾²ÒôºÍÃ÷È·µÄ²Ù×÷´¥¸ÐµÄÖÐÐгÌÀàÐÍ¡£
²úÆ·¹æ¸ñÊé
²úÆ·½éÉÜ
Ðж¯Á¦: 3.8N
ÐгÌ: 0.72mm
³õÆÚ½Ó´¥µç×è: 500m¦¸ max.
²Ù×÷ÊÙÃü: 200,000 cycles
ÁªÏµÇ®¹ñ777
COMPANY INFORMATION
¹Ø¡¤×¢¡¤ÎÒ¡¤ÃÇ
ЧÀÍÈÈÏߣº0755-23318646 / 0755-23318245
Ç®¹ñ777
´«Õ棺0755-23318246
꿅᣼www.fuxinhe.com.cn
µØµã£ºÉîÛÚÊÐÁú»ªÇøÓÍËÉ·ÐËÁú¸»´´¿ÍÔ°´óÏÃ7²ã
ÓÑÇéÁ´½Ó
FRIENDSHIP LINK
°¢¶û±°Ë¹(Alps)
ÂÞÄ·(ROHM)
´åÌï(Murata)
ˆR×ŶË×Ó(JST)
¹ãäþ(HIROSE)
¶÷ÖÇÆÖ(NXP)
ÈýÐÇ(Samsung)
Ì©¿Æ(TE)
¹«Ë¾Ìṩ£º°¢¶û±°Ë¹°¢¶ûÅÉ(Alps Alpine)¡¢Ñ¹×ŶË×Ó(jst)¡¢ÂÞÄ·(rohm)¡¢´åÌï(murata)¡¢¹ãäþ(hirose)¡¢¶÷ÖÇÆÖ(nxp)¡¢ÈýÐÇ(samsung)£¬Ì©¿Æ(te)µÈÆ·ÅÆ¿ª¹ØºÍÖÖÖÖµç×ÓÔªÆ÷¼þ
µØµã£ºÉîÛÚÊÐÁú»ªÇøÓÍËÉ·ÐËÁú¸»´´¿ÍÔ°´óÏÃ7²ã µç»°£º0755-23318646/233
Ç®¹ñ777 °æÈ¨ËùÓÐ
ÔÁICP±¸16126432ºÅ-1
¿Í·þ
ÔÚÏ߿ͷþ
µç»°
ÍøÕ¾µØÍ¼